Skip to content Skip to sidebar Skip to footer

Widget HTML #1

How A Pellet Stove Works : Pellet stoves look relatively simple on the outside, but the inside actually houses a few separate chambers.

How A Pellet Stove Works : Pellet stoves look relatively simple on the outside, but the inside actually houses a few separate chambers.. How do we come from a press on the pellet stove thermostat button to cozy 80°f room temperature? How a pellet stove works there was a castile quadra fire pellet stove in the cabin that we found in the blue ridge mountains. This means that pellet stoves will comes with a power cord and plug that will need to be plugged into a nearby electrical outlet otherwise the stove. How pellet stove works (step by step discussion). Wood pellet stoves appear very similar to other types of stoves such as wood burning stoves and just like them utilize wood as fuel, however, that is where their resemblance ends.

Most stoves have an auger that delivers pellets from the hopper to the combustion chamber. These are usually made from. However, they can be quite noisy. First, you fill the hopper with the pellet stove pulls air from the room, runs it through a heat exchanger, and pushes it back into the room. But they operate much differently.

Top And Bottom Auger Motor Ph Ccw1 England Stove Works Auger Feed Motor Englander Pellet Stove 1rpm Auger Motor Pu 047040 Tools Home Improvement Furnace Parts Accessories Ohmychalk Com
Top And Bottom Auger Motor Ph Ccw1 England Stove Works Auger Feed Motor Englander Pellet Stove 1rpm Auger Motor Pu 047040 Tools Home Improvement Furnace Parts Accessories Ohmychalk Com from images-na.ssl-images-amazon.com
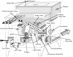
These, in turn, have provided them with their efficiency, convenience and safety advantages. The pellet stove is able to accomplish these expectations. You know that even if it gets knocked about or someone stumbles onto the machine, it won't break easily. Today's best pellet stoves tend to have a thermostat, which helps to determine how hot the fire burns, which is correlated to how fast the auger delivers pellets. Some are to feed the fire and others are to vent the fire. Lift the lid on this hopper and pour in the pellets. Ever wonder what's on the inside of a pellet stove? By steadily feeding fuel from a storage container (hopper) into a burn pot area, it produces a constant flame that requires little to no physical adjustments.

You know that even if it gets knocked about or someone stumbles onto the machine, it won't break easily.

Most stoves have an auger that delivers pellets from the hopper to the combustion chamber. These units aren't only very attractive but are available in a range of styles and designs, thus ensuring buyers have a greater say in how their living rooms look. This capability, called convective heat, allows for. A pellet stove is a stove that burns compressed wood or biomass pellets to create a source of heat for residential and sometimes industrial spaces. Most pellet stoves need to be refilled with pellets every 1 to 4 days depending on the size of the hopper, whether an extension is in place and how much the stove runs. This means that pellet stoves will comes with a power cord and plug that will need to be plugged into a nearby electrical outlet otherwise the stove. Check out this animated video showing the inside of a woodstove. Some are to feed the fire and others are to vent the fire. Ever wonder what's on the inside of a pellet stove? Today's best pellet stoves tend to have a thermostat, which helps to determine how hot the fire burns, which is correlated to how fast the auger delivers pellets. Let's dive in and look at how pellet burning stoves work, the different types of pellet stoves, and their various advantages and disadvantages. Pellets are placed into a hopper then fed via an auger into the combustion chamber. How a pellet stove worksthere was a castile quadra fire pellet stove in the cabin that we found in the blue ridge mountains.

There is a hopper that's located on the back side of the stove that serves as a storage bin for the pellets. This capability, called convective heat, allows for. Wood pellet stoves appear very similar to other types of stoves such as wood burning stoves and just like them utilize wood as fuel, however, that is where their resemblance ends. Typically, to start your pellet stove running you'll load pellets into a hopper, where they'll be stored temporarily. How does a pellet stove work?

How A Pellet Stove Works Animation Video On Vimeo
How A Pellet Stove Works Animation Video On Vimeo from i.vimeocdn.com
How does a pellet stove work? Since both pellet and wood stoves have a sealed combustion chamber, the ability to add heat to the home can't be matched by burning wood in a traditional masonry or prefab fireplace. Heating the home has always been an issue in terms of economy. A pellet stove acts as a heater that can be transferred from room to room (see more on safety below), but instead of relying on traditional wood or gas to produce heat, this type of stove uses special pellets that are loaded into a hopper and then introduced into the burning chamber. This means that pellet stoves will comes with a power cord and plug that will need to be plugged into a nearby electrical outlet otherwise the stove. How a pellet stove works. Wood pellet stoves appear very similar to other types of stoves such as wood burning stoves and just like them utilize wood as fuel, however, that is where their resemblance ends. Pellet stoves work by burning wood pellets and using the heat produced to push into the room and heat the home.

A pellet stove is a great cheap heating alternative when the cold weather comes around.

However, they can be quite noisy. Believe it or not, they work in much the same way as wood burning stoves but have a few important modifications. A pellet stove acts as a heater that can be transferred from room to room (see more on safety below), but instead of relying on traditional wood or gas to produce heat, this type of stove uses special pellets that are loaded into a hopper and then introduced into the burning chamber. These, in turn, have provided them with their efficiency, convenience and safety advantages. A pellet stove is a great way to reduce heating costs in your house and stay warm in the cold weather. Interested in a pellet stove? To help explain how pellet stoves work we've put together this complete guide on how a pellet stove works using our own pellet stove as an example. There is a hopper that's located on the back side of the stove that serves as a storage bin for the pellets. Some are to feed the fire and others are to vent the fire. How do we come from a press on the pellet stove thermostat button to cozy 80°f room temperature? First, you fill the hopper with the pellet stove pulls air from the room, runs it through a heat exchanger, and pushes it back into the room. How a pellet stove works there was a castile quadra fire pellet stove in the cabin that we found in the blue ridge mountains. However choosing the best pellet stove is not as easy as you might think.

Still, others are to convert the fire's heat into home heat. But they operate much differently. Let's dive in and look at how pellet burning stoves work, the different types of pellet stoves, and their various advantages and disadvantages. How do we come from a press on the pellet stove thermostat button to cozy 80°f room temperature? The pellet stove is able to accomplish these expectations.

Hudson River Stove Works Davenport Pellet Stove With Door
Hudson River Stove Works Davenport Pellet Stove With Door from s.yimg.com
To help explain how pellet stoves work we've put together this complete guide on how a pellet stove works using our own pellet stove as an example. How pellet stove works (step by step discussion). How a wood burning pellet stove works. Pellet burning stoves are unique modern electronic appliances that provide an affordable and environmentally friendly option for indoor heating. Pellet stoves became increasingly popular in the 1970s, due to the costs of heating pellet stoves burn compacted pellets of wood to produce heat. Heating the home has always been an issue in terms of economy. The user fills a bin with the wood pellets, and the stove automatically feeds the pellets. You know that even if it gets knocked about or someone stumbles onto the machine, it won't break easily.

Ever wonder what's on the inside of a pellet stove?

Also check out my video showing the modifications to this one. Today's best pellet stoves tend to have a thermostat, which helps to determine how hot the fire burns, which is correlated to how fast the auger delivers pellets. Most stoves have an auger that delivers pellets from the hopper to the combustion chamber. How does a pellet stove work? The experts at the cozy flame in milford ct can help you out. Let's dive in and look at how pellet burning stoves work, the different types of pellet stoves, and their various advantages and disadvantages. How do we come from a press on the pellet stove thermostat button to cozy 80°f room temperature? However choosing the best pellet stove is not as easy as you might think. Pellet stoves are efficient, environmentally friendly, cheap to run and safe. However, they can be quite noisy. Still, others are to convert the fire's heat into home heat. The user fills a bin with the wood pellets, and the stove automatically feeds the pellets. Wood pellet stoves appear very similar to other types of stoves such as wood burning stoves and just like them utilize wood as fuel, however, that is where their resemblance ends.